WTX型可曲挠橡胶弯头可广泛用于建筑给水排水、暖通空调、冶金、化工、造纸、卫生、船舶、消防、制药等行业的各种管道系统的柔性连接。
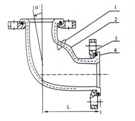
WTX型橡胶弯头结构及各部件材质

基本参数
nbsp;nbsp;nbsp;nbsp;项目nbsp;nbsp;nbsp;nbsp;nbsp;nbsp; 型号 | WTX-1 | WTX-2 | WTX-3 |
工作压力Mpa (Kgf/cm2) | 1,0 (10) | 1.6 (16) | 2.5(25) |
爆破压力Mpa (Kgf/cm2) | 2.0(20) | 3.0(30) | 4.5(45) |
真空度 Kpa(mm/Hg) | 53.3(400) | 86.7(650) | 100 (750) |
适用温度 | -15~+115特殊可达-30〜+250 | ||
适用介质 | 空气、压缩空气、水、海水、热水、油、酸、碱镣 | ||
主要数据
公称通径DN | 长度 (mm) | 各向允许位移 | ||||||
mm | Inch | X | X# | Y | r | Z | r | |
50 | 2 | 140 | 20 | 16 | 20 | i 16 | 16 | 16 |
65 | 2T | 140 | 20 | 16 | 20 | 16 | 16 | 16 |
80 | 3 | 150 | 20 | 16 | 20 | 16 | 16 | 16 |
100 | 4 | 160 | 20 | 16 | 20 | 16 | 16 | 16 |
125 | 5 | 180 | 20 | 16 | 20 | f16 | 16 | 16 |
150 | 6 | 200 | 20 | 16 | 20 | 16 | 16 | 16 |
200 | 8 | 230 | 20 | 16 | 20 | 16 | 16 | 16 |
250 | 10 | 280 | 20 | 16 | 20 | 16 | 16 | 16 |
300 | 12 | 305 | 20 | 16 | 20 | 16 | 16 | 16 |
河南郑州zoty中欧·(中国)体育官方网站厂
销售热线:88888888039
地址:
邮箱:88888888